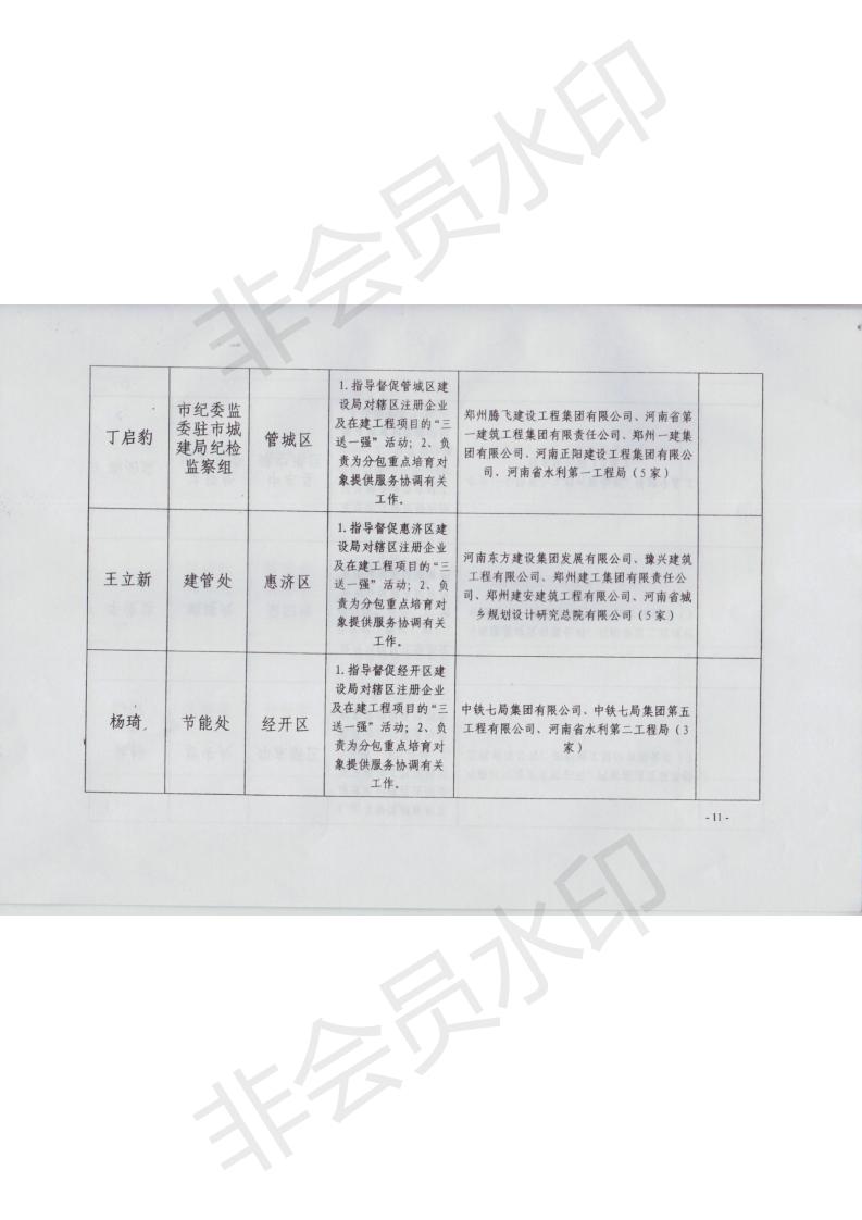
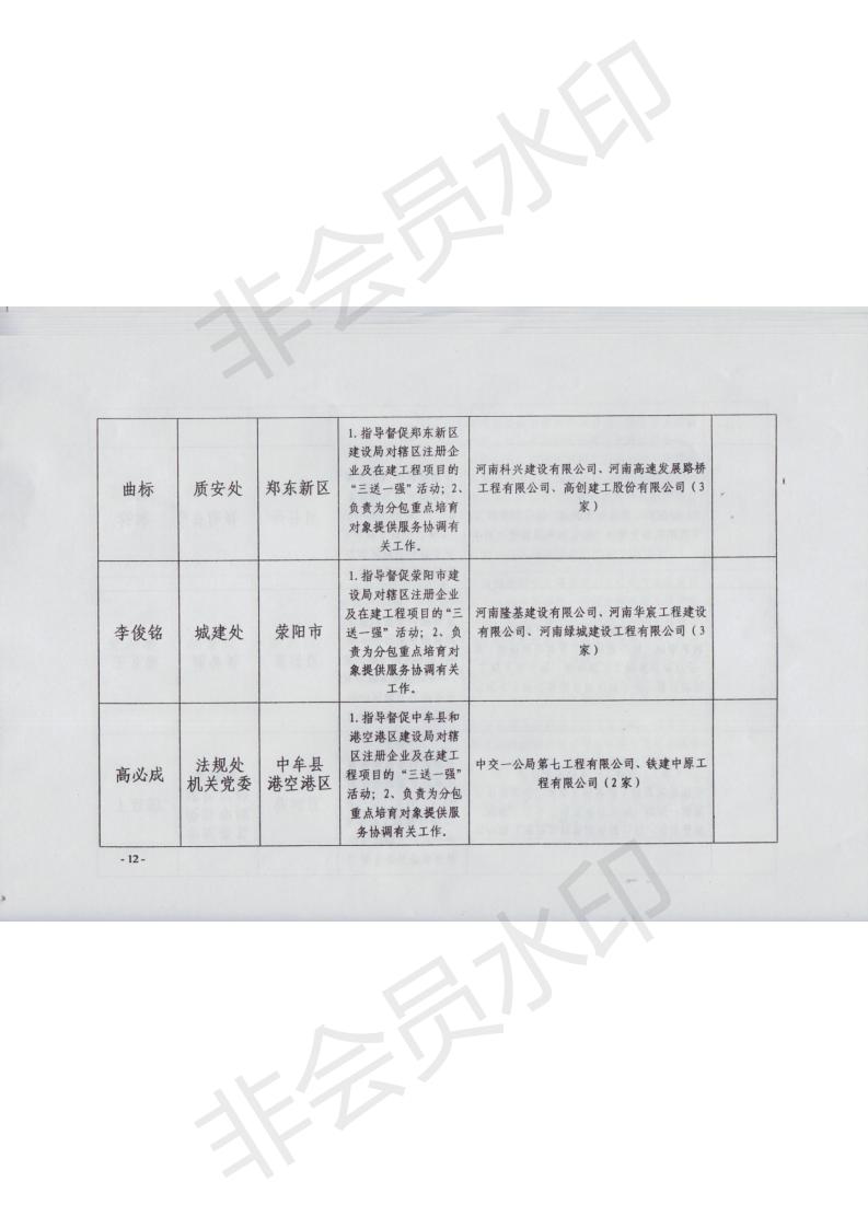
『 公司动态 』
郑州市城乡建设局关于印发《郑州市城乡建设系统在疫情防控期间开展为企业“送政策送服务
文章来源:未知 发布时间:2020-03-16 16:43 浏览次数:
郑州市城乡建设局关于印发《郑州市城乡建设系统在疫情防控期间开展
为企业“送政策送服务送要素强信心活动月实施方案》的通知















上一篇:河南省住房和城乡建设厅关于印发《河南省建筑工程安全文明标准化示范工地管理办法》的通 下一篇:河南省住房和城乡建设厅关于印发2020年全省住房城乡建设系统大气污染防治攻坚战工作方案的
文章来源:未知 发布时间:2020-03-16 16:43 浏览次数:















上一篇:河南省住房和城乡建设厅关于印发《河南省建筑工程安全文明标准化示范工地管理办法》的通 下一篇:河南省住房和城乡建设厅关于印发2020年全省住房城乡建设系统大气污染防治攻坚战工作方案的
版权所有© 东莞贵龙饰品贸易有限公司 粤ICP备19069120号-1
咨询热线:0371-68886220 传真:0371-68886220 邮编:450015 邮箱:zzzyjs@yeah.net
地址:商都路心怡路交汇处西南角八戒体育大厦26层 技术支持: 福德隆科技